参数
| 参数规格 | 负载质量:1.4-2.0 kg PGS-ZTPR-_-1-_-_-_ PGS-ZTPR-_-2-_-_-_ | 负载质量:2.0-2.5 kg PGS-ZTPR-_-3-_-_-_ PGS-ZTPR-_-4-_-_-_ | ||
|---|---|---|---|---|
| 用于Z, Rx 和 Ry轴 | ||||
| 电机型号 | AVMG40-5 | AVM040-G | ||
| 持续推力(自冷) @100ºC ①② | 8.1 N | 8.5 N | ||
| 峰值推力 | 20.0 N | 20.9 N | ||
| 力常数 ±10% ② | 8.1 N/A | 8.5 N/A | ||
| 反电势常数 ±10% ② | 8.1 V/(m/s) | 8.5 V/(m/s) | ||
| 相间电阻 @25ºC ±10% ③ | 7.3 Ω | 7.3 Ω | ||
相间电感 ±20% ④ | 2.9 mH | 2.9 mH | ||
| 持续电流(自冷) @100ºC ① | 1.0 A | 1.0 A | ||
| 峰值电流 | 2.5 A | 2.5 A | ||
| 最高母线电压 | 48 Vdc | 48 Vdc | ||
| 用于Rz轴 | ||||
| 电机型号 | ACW130-P14-P-K-NH-0.1-NFB-Z25 | |||
| 持续转矩(自冷) @130ºC ① | 2.4 Nm | |||
| 峰值转矩 | 8.3 Nm | |||
| 转矩常数 ±10% | 0.55 Nm/Arms | |||
| 反电势常数 ±10% | 0.047 Vpeak/rpm | |||
| 相间电阻 @25ºC ±10% ③ | 2.20 Ω | |||
| 相间电感 ±20% ④ | 1.4 mH | |||
| 持续电流(自冷) @130ºC ① | 4.3 Arms | |||
| 峰值电流 | 15 Arms | |||
| 最高母线电压 | 330 Vdc | |||
| 极数, 2p | 16 | |||
| 用于抬升杆 | ||||
| 电机型号 | 永磁式直流步进电机 | |||
| 步距角 | 2 | |||
| 额定电流 | 7.5° | |||
| 相间电阻 @20°C ±10% | 0.35 A | |||
| 线圈类型 | 14 Ω | |||
| 机械参数 | Z | Rx,Ry | Rz | 抬升杆 |
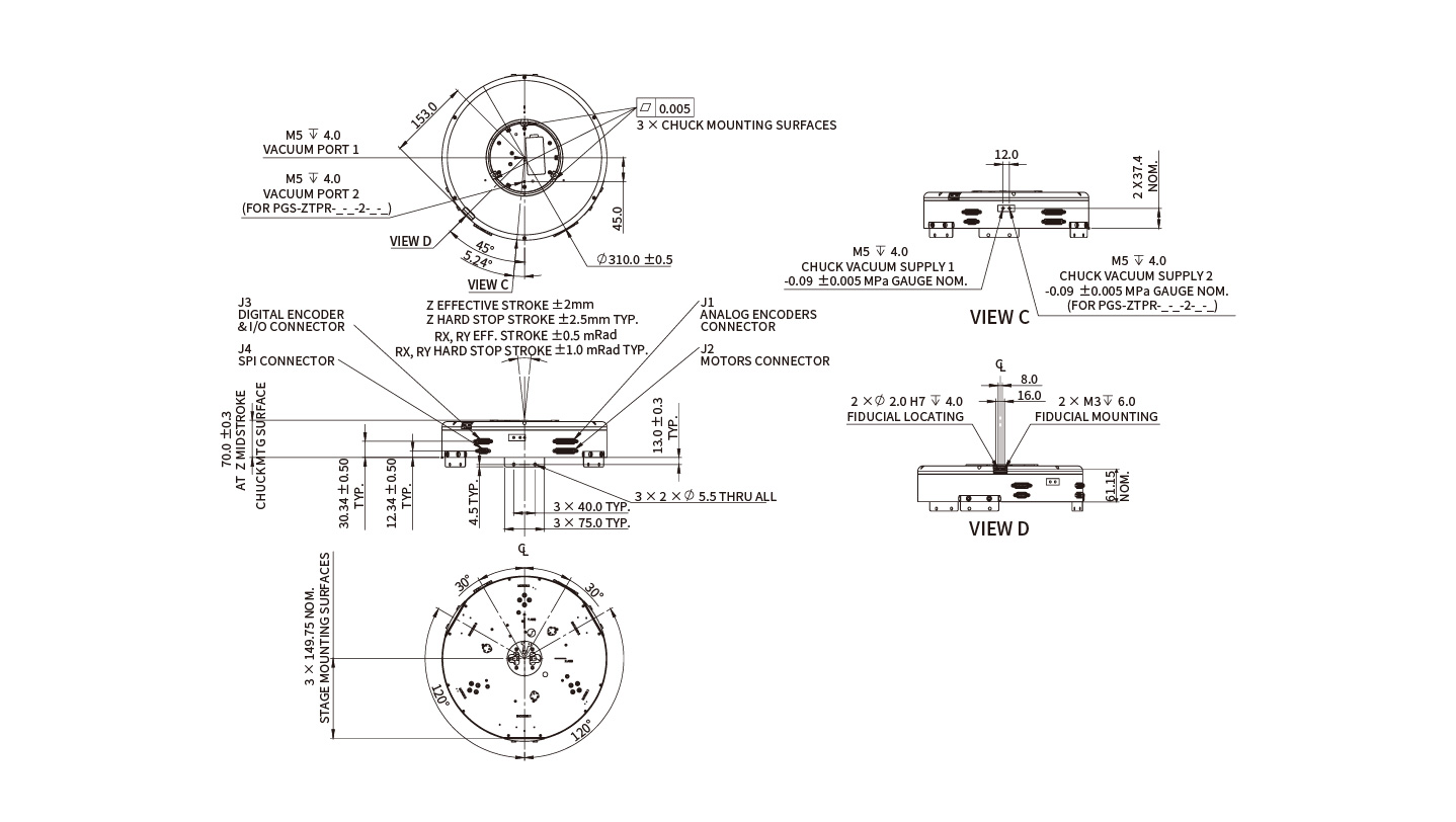
| 有效行程 | 4 mm | ±0.5 mrad | 360°或270° ⑤ | 10 mm |
| 分辨率 | SINCOS | SINCOS | 0.019 arcsec | - |
| 单向重复定位精度 | ±0.05 μm | - | - | ±30 μm |
| 双向重复定位精度 | ±0.075 μm | - | ±3 arcsec | - |
| 典型PMS抖动, 1σ, 1 kHz 截止频率 | 3.33 nm | ±0.01 arcsec | ±0.083 arcsec | - |
| 端面跳动重复性(半径140mm处) | - | - | ±0.75 μm | - |
| 径向跳动重复性 | - | - | ±0.75 μm | - |
| 额定负载 | 1.4 - 2.5 kg⑥ | 1.4 - 2.5 kg ⑥ | 1.4 - 2.5 kg ⑥ | 0.15 kg |
| 最大加速度(视负载而定) | 2 m/s² | - | 10000 deg/s | - |
| 最大速度(视负载而定) | 0.1 m/s² | - | 720 deg/s | - |
| 典型运动加整定时间(1.5 kg 负载) | 1 μm 步进, 整定窗口 ±50 nm,整定时间 20 ms 100 μm 步进, 整定窗口 ±50 nm,整定时间 50 ms 1 μm 步进, 整定窗口 ±30 nm,整定时间 50 ms 100 μm 步进, 整定窗口 ±30 nm,整定时间 90 ms | - | 1° 步进, 整定窗口 ±0.4 arcsec,整定时间 100 ms 120° 步进, 整定窗口 ±0.4 arcsec,整定时间 400 ms 180° 步进, 整定窗口 ±0.4 arcsec,整定时间 1 s | 10 mm步进, 时间 2 s |
| 模组总质量(视型号而定) | 6-8 kg | 6-8 kg | 6-8 kg | 6-8 kg |
| 表面处理 | 黑色或自然阳极氧化处理(可选) | 黑色或自然阳极氧化处理(可选) | 黑色或自然阳极氧化处理(可选) | 黑色或自然阳极氧化处理(可选) |
注:
①测量时环境温度为25ºC,取决于散热环境。
②行程中点处的值。
③电阻测量采用直流电流,含3 m标准线缆。
④电感测量频率为1 kHz。
⑤带抬升杆选项的模组的Rz有效行程为200°,硬限位行程大约250°。
⑥必须针对准确负载进行配重设计,请联系cust-service@akribis-sys.cn。
★相关参数规格如有变动,恕不另行通知。
产品特性
-
01
堆叠XY平台
堆叠XY平台
-
02
高速,高加速
高速,高加速
-
03
高精度,高刚性
高精度,高刚性
-
04
圆晶平台
圆晶平台
-
05
无齿槽力
无齿槽力
图表
订购规则
-
PGS-ZTPR
TOP